北京诚意意隆风机设备有限公司-斜流风机 
北京斜流风机厂,专业生产销售各种斜流风机,,电话:13520853077,SJG型系列斜流式管道风机是一种新型的机型,其叶轮为轴流式风机的变形,气流沿叶片中心为散射形,并向气流方向倾斜。其特点:在同机号相比之下,流量大于离心式风机;全压高于轴流式风机;体积小于离心式风机,具有高效运行区宽广、噪声低、占地少、安装方便等优点。
您现在的位置:北京诚意意隆风机设备有限公司 > 产品展示

◎ DZT低噪声轴流风机

◎ CDZ超低噪音轴流风机

◎ T35-11轴流风机

◎ DZ低噪声轴流风机

◎ DDT40低噪声轴流风机

◎ 高温排油烟厨房专用风机

◎ 4-72离心风机

◎ SJG斜流风机

◎ SWF/GXF混流风机

◎ GYF消防排烟风机

◎ 玻璃钢屋顶风机

◎ 低噪音风机箱

◎ 玻璃钢离心风机

◎ 防腐防爆风机

◎ 喷雾降温风机

◎ 9-19高压离心风机

◎ 9-26高压离心风机

◎ 锅炉风机

◎ 无动力风机

◎ 空调风机

◎ 诱导风机

◎ 其他风机

◎ 风机电子样本下载

 
 

联系人:张经理

电 话:010-86905748

手 机:13520853077

地 址:北京怀柔渤海镇渤海所村

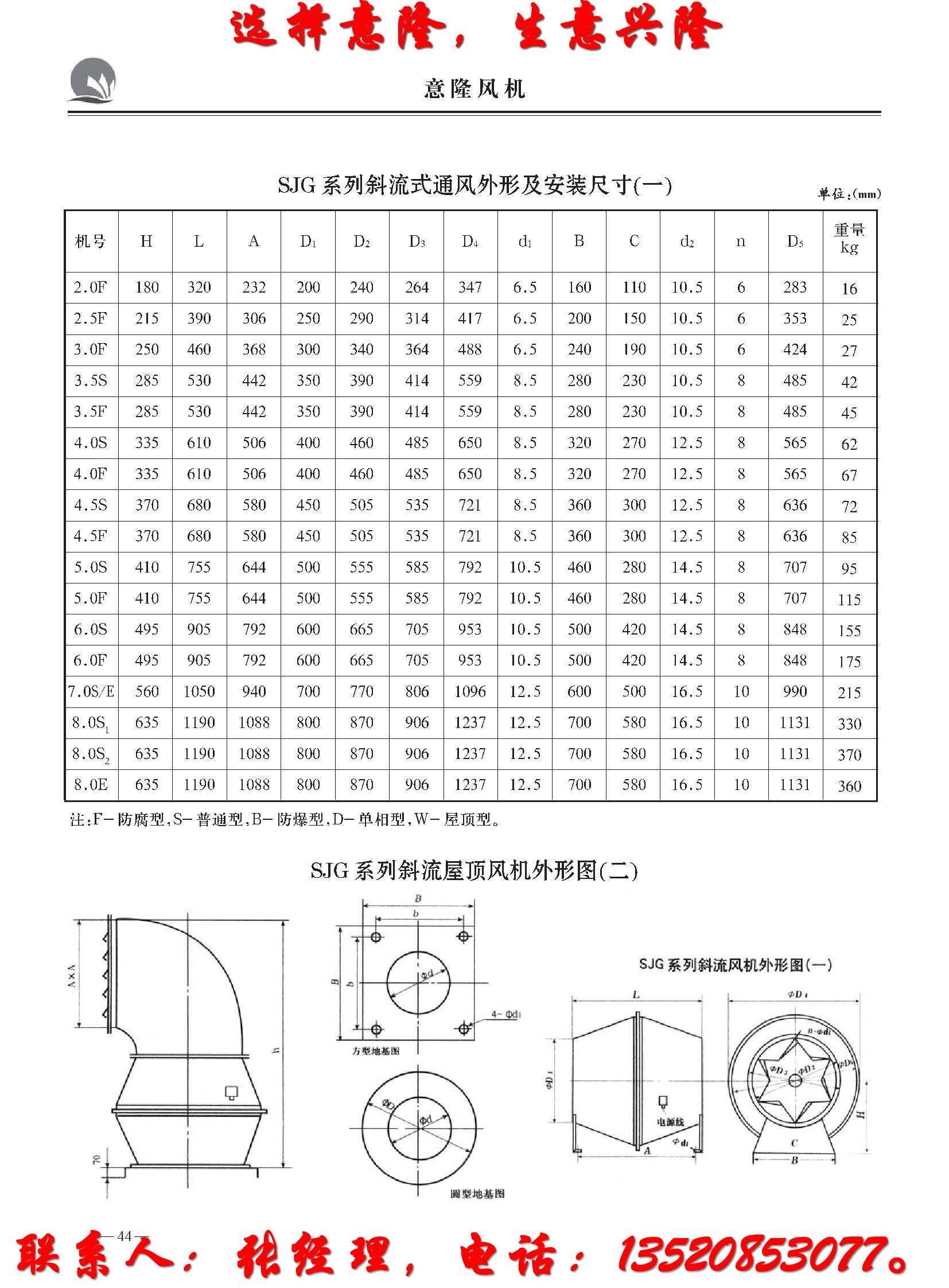
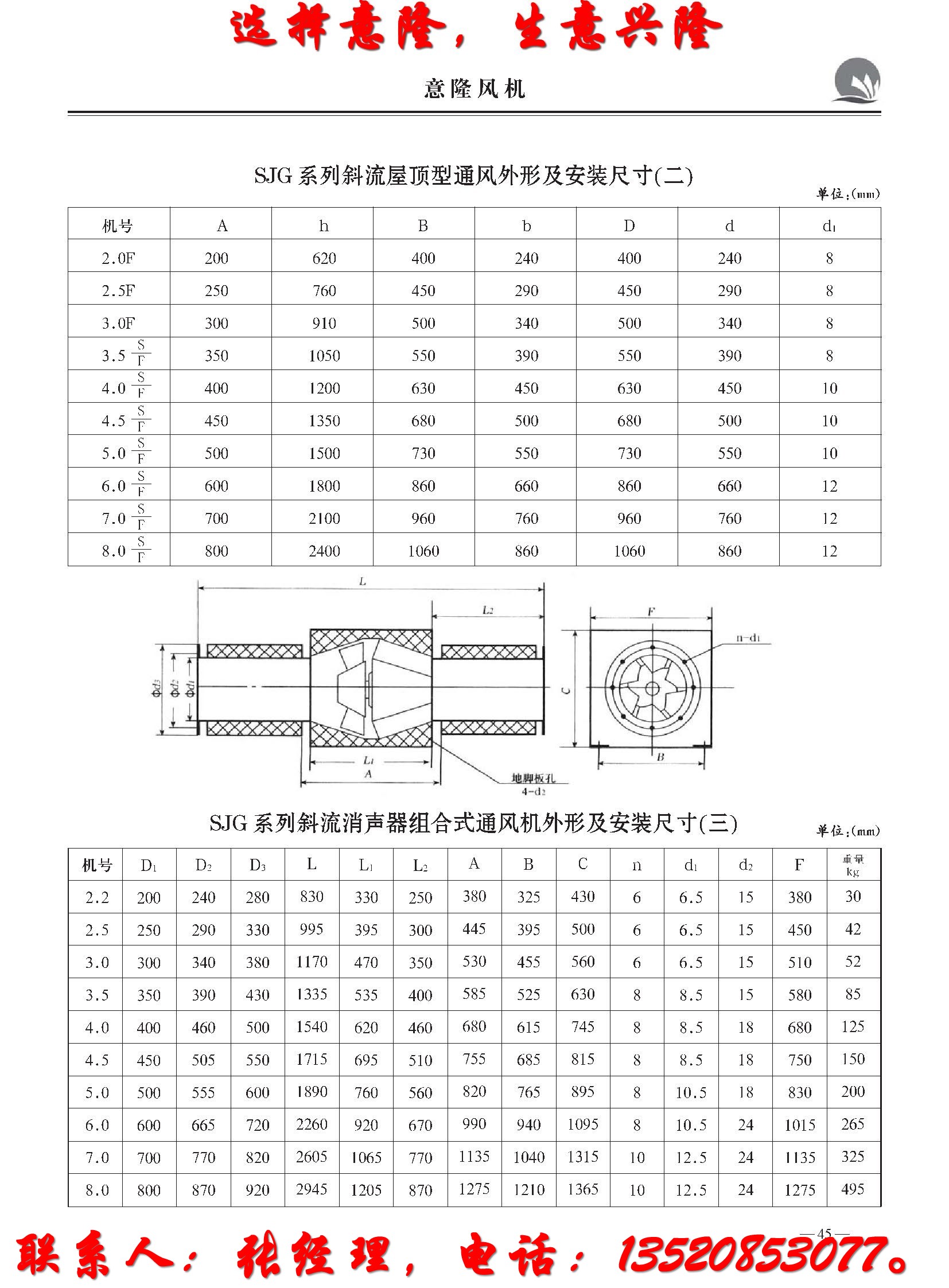
   SJG斜流风机

SJG型系列斜流式管道风机是一种新型的机型,其叶轮为轴流式风机的变形,气流沿叶片中心为散射形,并向气流方向倾斜。其特点:在同机号相比之下,流量大于离心式风机;全压高于轴流式风机;体积小于离心式风机,具有高效运行区宽广、噪声低、占地少、安装方便等优点。该风机不影响管道布置和管道走和走向,最适宜于为直管道加压和送排风。对于空间狭小的机房,尤其显示出它的结构紧凑的优越性。 SJG型系列产品广泛应用的工矿企业、宾馆、饭店、博物馆、体育馆、高层建筑等通风换气场所。替代低压离心风机,节省投资和占地,简化设计、方便安装,在轴流风机压力你,满足不了管道通风机的场合,SJG系列风机尤显神威,本风机如用玻璃钢制造可输送出腐蚀性气体,如接防爆电朵可输送易燃、易爆气体;被送气体温度在80℃以下; 斜流式管道风机与离心风机和轴流式风机比较具有独特的直线型型结构和介于两者之间的空气动力特性参数。


详细参数如下:

 

网站首页 | 公司介绍 | 供求商机 | 产品展厅 | 公司动态 | 在线留言 | 样本下载 | 联系方式 |


版权所有: 北京诚意意隆风机设备有限公司 Powered By http://www.bjylfj.com/
E-mail:bjylfj@126.com 联系电话:010-86905748,13520853077。 斜流风机
技术支持:北京诚意意隆风机设备有限公司网络技术部