北京诚意意隆风机设备有限公司 
欢迎访问北京诚意意隆风机设备有限公司商铺
您现在的位置:北京诚意意隆风机设备有限公司 > 产品展示

◎ DZT低噪声轴流风机

◎ CDZ超低噪音轴流风机

◎ T35-11轴流风机

◎ DZ低噪声轴流风机

◎ DDT40低噪声轴流风机

◎ 高温排油烟厨房专用风机

◎ 4-72离心风机

◎ SJG斜流风机

◎ SWF/GXF混流风机

◎ GYF消防排烟风机

◎ 玻璃钢屋顶风机

◎ 低噪音风机箱

◎ 玻璃钢离心风机

◎ 防腐防爆风机

◎ 喷雾降温风机

◎ 9-19高压离心风机

◎ 9-26高压离心风机

◎ 锅炉风机

◎ 无动力风机

◎ 空调风机

◎ 诱导风机

◎ 其他风机

◎ 风机电子样本下载

 
 

联系人:张经理

电 话:010-86905748

手 机:13520853077

地 址:北京怀柔渤海镇渤海所村

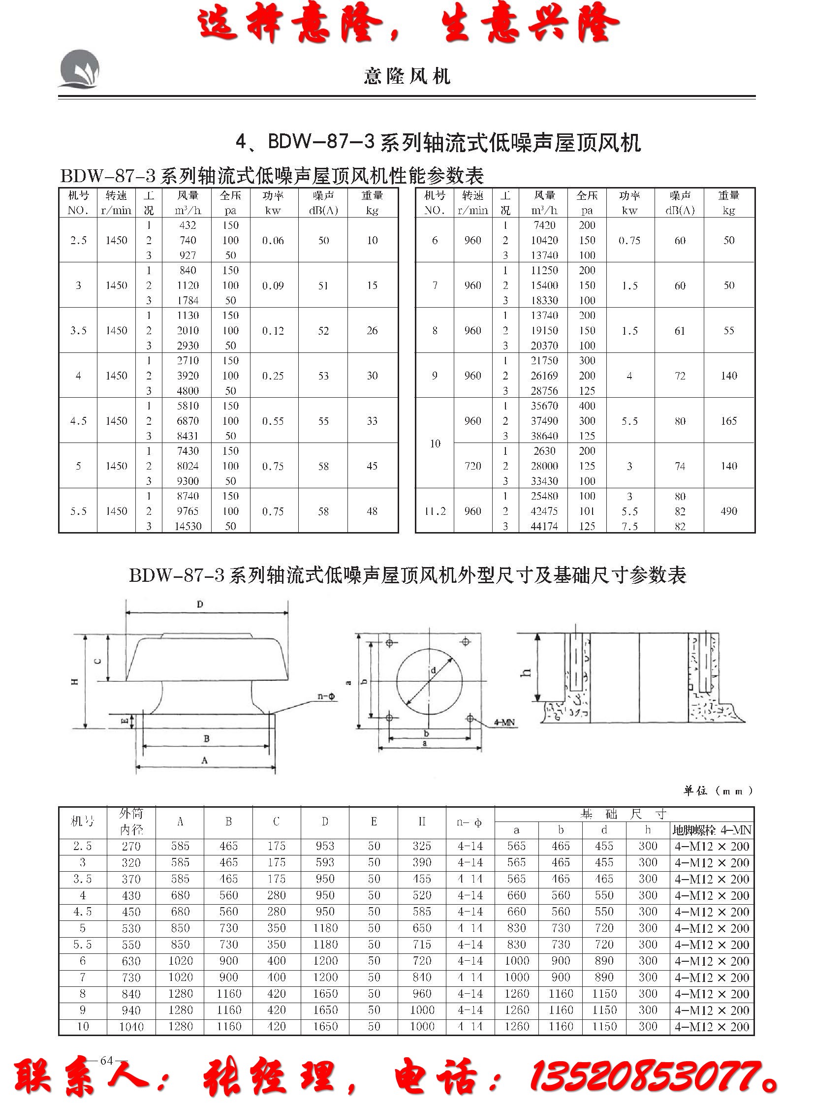
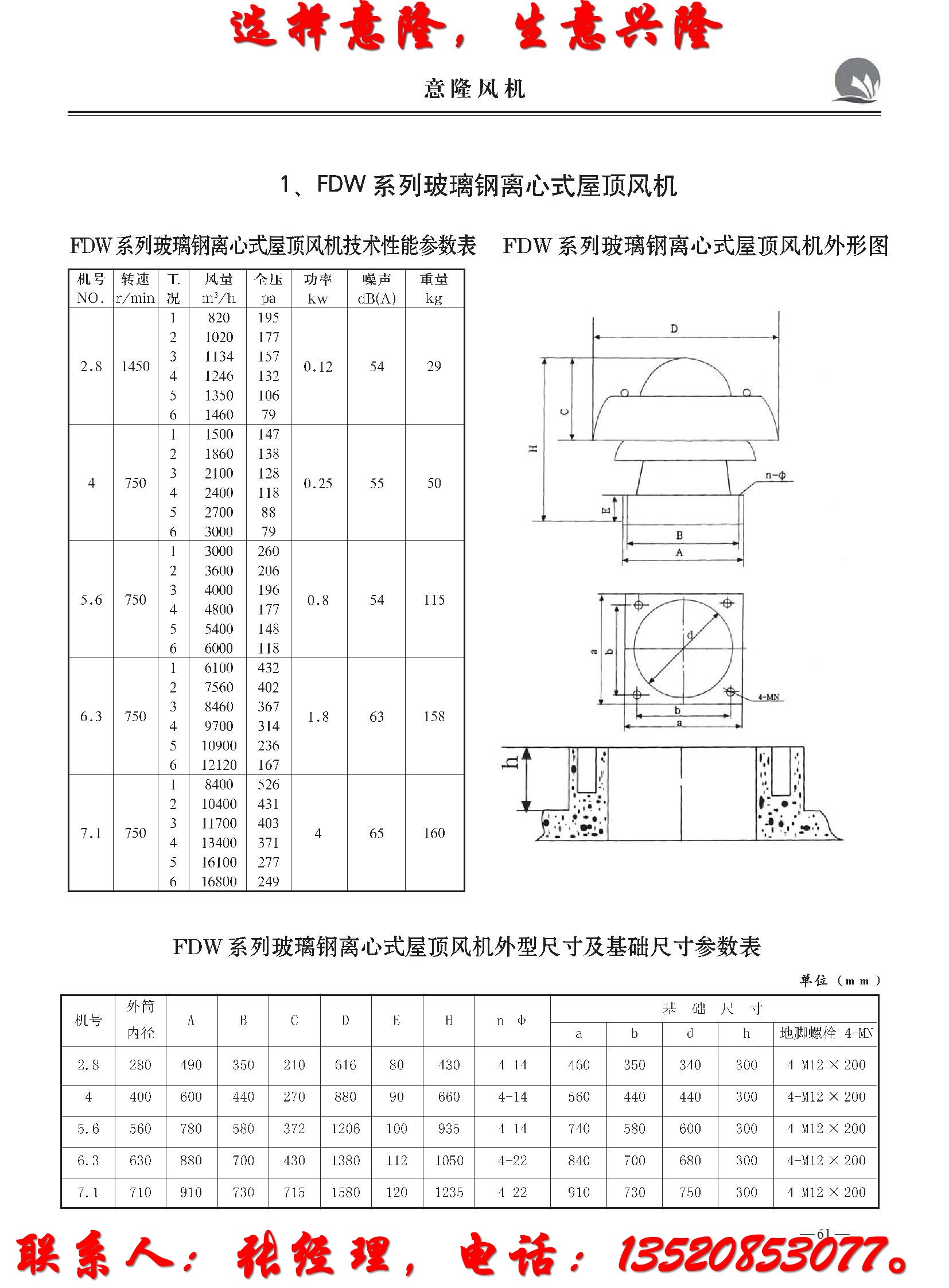
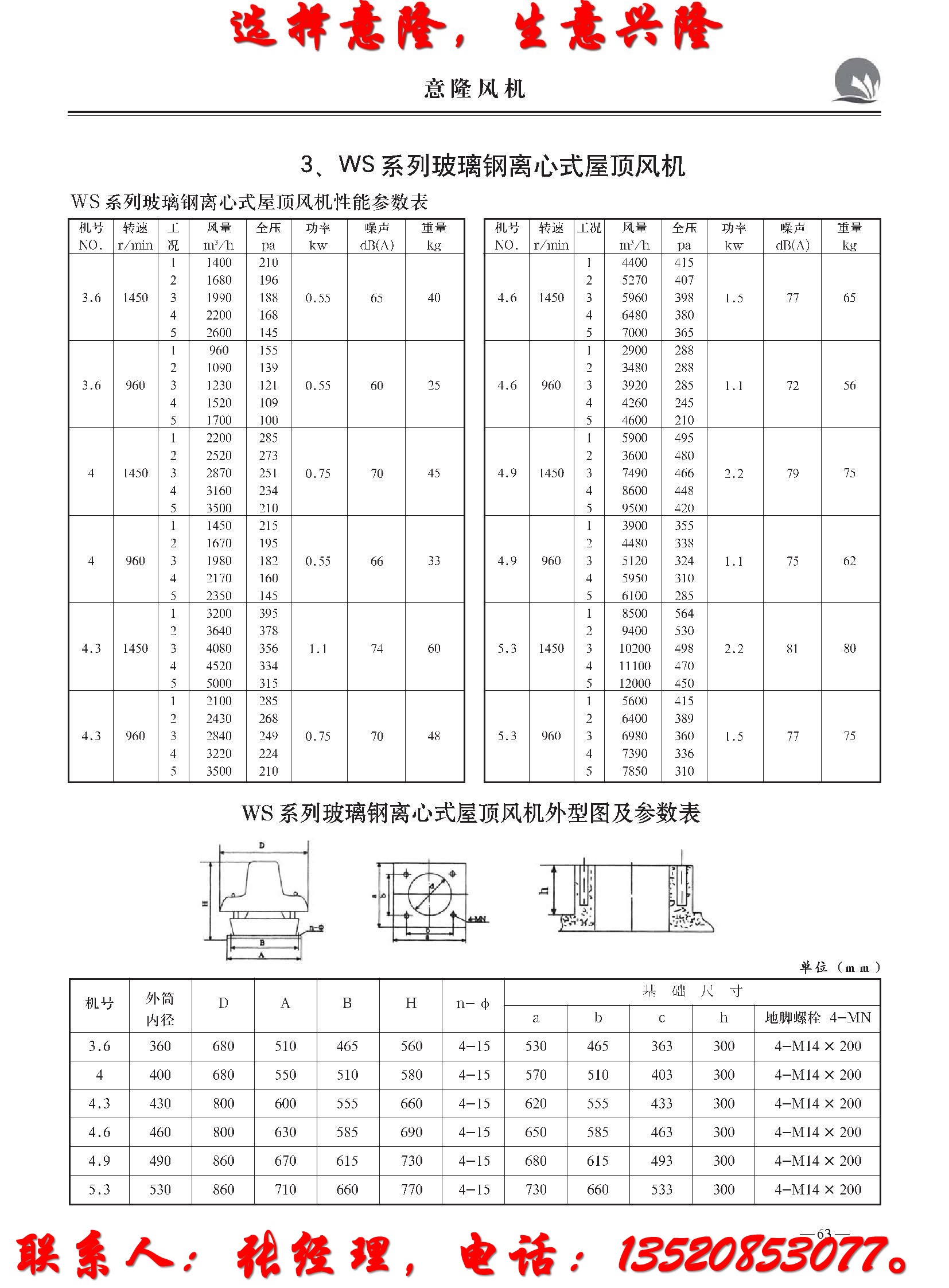
玻璃钢屋顶风机

屋顶风机是国内工民建筑业常用风机之一,结构形式分为:轴流式屋顶风机,斜流式屋顶风机,离心式屋顶风机,材料形式分为钢制,玻璃钢,其特点风量大。风压高。噪声低,可适用不同用途的要求,钢制屋顶风机外观好,结构合理,防火性好,适用于排风,送风场合。玻璃钢屋顶风机结构好,重量轻,噪声低,最大优点是耐腐蚀性,适用于排风换气,广泛用于工矿厂所,化工实验各种建筑物。

详细参数如下:

 

网站首页 | 公司介绍 | 供求商机 | 产品展厅 | 公司动态 | 在线留言 | 样本下载 | 联系方式 |


版权所有: 北京诚意意隆风机设备有限公司 Powered By http://www.bjylfj.com/
E-mail:bjylfj@126.com 联系电话:010-86905748,13520853077。 屋顶风机
技术支持:北京诚意意隆风机设备有限公司网络技术部